電加熱磁翻板液位計,防霜型磁翻板,夾套型液位計,適用于低溫到高溫,真空到高壓等各種環境,是石油、化工等工業部門的理想液位測量產品。根據在容器中安裝位置的不同,提供側裝和頂裝兩種形式。根據工作介質不同,提供不銹鋼和ABS、PP-R工程塑料三種材質,其中ABS、PP-R材質適用于酸、堿等腐蝕性介質。
磁翻板液位計特點:以浮子為測量元件,磁鋼驅動翻柱顯示,無需能源。 配上下限開關輸出,可實現遠距報警,限位控制。 配變送器可實現液位遠距指示,檢測與控制。
技術參數
測量范圍:150~8000mm,對中心距超過8000mm的或遠輸條件不允許超過長度的液位計可采用分段制造。
工作壓力:2.5MPa
工作溫度: UHZ-517C15:-20~100℃
UHZ-517C15A:-30~100℃
精確度:±10mm
介質密度: 0.5~2.0g/cm3
環境振動:頻率≤25Hz 振幅≤0.5mm
跟隨速度: ≤0.08m/s
介質粘度: ≤0.4Pa.s,對于粘度大的介質或測量溫度低時易結晶的介質,可選用加熱夾套型液位計
過程連接:旁路側面安裝法蘭:DN25,PN1.0或PN1.6、PN2.5凸面
法蘭標準:HG20592~20635-97其它法蘭標準請用戶注明。
電加熱磁翻板液位計類型選擇
蒸汽夾套和水循環夾套:是在液位計主體管外增加一層筒體,供蒸汽、循環水或導熱油流通;
真空夾套:是在液位計主體管外增加一層真空筒體,以使被測量介質與外界隔熱;
電夾套:是在液位計主體管外纏繞電伴熱線圈,通電給介質加熱;
用戶可根據工程需要,配合遠傳變送器使用,可實現就地數字顯示,以及輸出4~20mA的標準遠傳電信號,以配合記錄儀表,或工業過程控制的需要。也可以配合磁性控制開關或接近開關等使用,對液位監控報警或對進液出液設備進行控制。
適用于各類液體容器的液位、界位的測量和控制。清晰的指示出液位的高度,顯示直觀醒目,指示器與貯罐完全隔離,使用安全、設計合理、結構簡單、安裝方便可靠、性能穩定、使用壽命長、維修費用低、便于安裝維護等優點。
結構特點:
l 基本型 液位計根據浮力原理,浮子在測量管內隨液位的升降而上、下移動,浮子內的**磁鋼通過磁耦合作用,驅動紅、白色翻柱翻轉 180 。 液位上升時,翻柱由白色轉為紅色,下降時由紅色轉為白色,從而實現液位的指示。
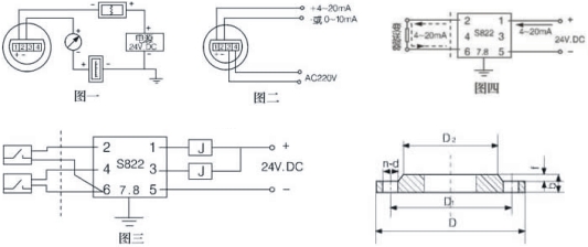
l 上下限開關輸出 利用磁性浮子隨液位移動,使安裝在液位計立管設定位置的簧片開關動作,實現 ON-OFF 控制或報警。
l 電遠傳 在磁浮子液位計上安裝變送器。變送器由傳感器和轉換器兩部分組成,它通過磁浮子上下移動,經磁耦合作用使導管內測量無件依次動作,獲得電阻信號變化,轉換成 0~10mA 或 4~20mA 的標準電流信號輸出,以便與數字顯示儀表或計算機聯接,實現遠傳顯示。

電加熱磁翻板液位計主要技術參數:
| 安裝形式內容 | 側裝式 | 頂裝式 | |
| 安裝間距 (測量范圍) | 500,800,1100,1400,1700, 2000,2500,3000,3500,4000, 4500,5000,5500,6000mm | 500,800,1100,1400,1700, 2000,2500,3000mm | |
| 工作壓力 | 0.6,1.6,2.5,4.0MPa | 0.6,1.6,2.5MPa | |
| 介質密度 | ≥ 0.5g/cm 3 | ≥ 0.76g/cm 3 | |
| 連接法蘭 | 不銹鋼 | 法蘭 20-40(D N 20 P N 4.0) (GB9119-88) | 法蘭 200-25(D N 200 P N 2.5) (GB9119-88) |
| ABS | 法蘭 20-10(D N 20 P N 1.0) (GB9119-88) | 法蘭 200-6(D N 200 P N 0.6) (GB9119-88) | |
| 主體材料 | ABS( 工作壓力 0.6MPa) 1Cr18Ni9T | ||
| 介質溫度 | -40 ℃ ~100 ℃ (ABS: -40 ℃ ~80 ℃ ) | ||
| 環境溫度 | -40 ℃ ~+70 ℃ | ||
| 示值誤差 | ± 10mm | ||
| 介質粘度 | ≤ 1st(10 - 4 m/s) | ||
| 上下限開關 輸出 | 1. 控制靈敏度 : 10mm 2. 輸出接點容量 : AC220V2A 3. 接點壽命 : 5 × 10 4 | ||
| 電遠傳連續顯示 | 1. 精度 : ± 1.5% 2. 輸出負載 : 750 3. 輸出信號 : 0~10mA 輸出 ,220VAC 電源 4~20mA 輸出 ,24VDC 二線制 4. 防爆特征 ia Ⅱ CT4 本質安全型 | ||
電加熱磁翻板液位計選型表:
XT-UHZ翻柱式磁浮子液位計 | ||||||||||
代碼 1 2 | 安裝方式 側裝式 頂裝式 | |||||||||
代碼 1 2 | 主體材質 ABS 1Cr18Ni9Ti | |||||||||
代碼 1 2 3 4 | 公稱壓力 0.6MPa( 僅適用于主體材質為 ABS 時 ) 1.6Mpa 2.5Mpa 4.0MPa | |||||||||
代碼 1 2 3 4 5 | 型式 基本型 帶上、下限開關輸出 帶電遠傳 (0~10mA 輸出 ,220V,AC) 帶電遠傳 (4~20mA 輸出 ,24V,DC) 帶本安防爆型遠傳 (4~20mA 輸出 ,24V,DC) | |||||||||
| 安裝間距 ( 測量范圍 ) | ||||||||||
L1 | 安裝深度 ( 頂裝式 ) (0~4000mm 任選 ) | |||||||||
介質 密度 | g/cm3 | |||||||||
XT-UHZ 1 1 1 1 L= □ L= □ p= □ | ||||||||||
2 .磁翻板液位計型號標記示例:
示例 1 : XT-UHZ-1111 L=2500 ρ =0.6 側裝式 ,ABS(0.6MPa), 基本型 , 安裝間距 2500mm, 介質密度 0.6g/cm 3 。
示例 2 : XT-UHZ-2232 □ L=2500 L1=3000 ρ =0.5 頂裝式 , 不銹鋼 (2.5MPa), 帶上、下限開關輸出 , 測量范圍 2500mm. 安裝深度 3000mm, 介質密度 0.5g/cm 3 。
定貨須知
l 定貨時請注明型號規格、測量范圍、安裝深度、介質密度、介質溫度及工作壓力等。
l 用戶如使用 JB 及 HG 法蘭或或其它規格的法蘭時可專門提出 , 我廠**人員將協助您選型或為您設計制造特殊產品。
l 用戶須根據下表自備法蘭及密封墊等連接件。用戶自備法蘭的相關尺寸及密封尺寸見下圖及表:
| 安裝型式 | 主體材質 | 公稱直徑 | 公稱壓力 DN (mm) | 法蘭外徑PN(Mpa) | 螺心栓圓孔直 中徑K | 螺孔徑 L | 螺栓 | 密封面 | 法蘭厚度 C | 法蘭密封墊 | ||||
數量n | 螺紋Th | d | f | 外徑 | 內徑 | 厚度 | ||||||||
側裝 | 不銹鋼 | 20 | 4.0 | 105 | 75 | 14 | 4 | M12 | 56 | 2 | 16 | 61 | 27 | 2 |
ABS | 20 | 1.0 | 105 | 75 | 14 | 4 | M12 | 56 | 2 | 16 | 61 | 27 | 2 | |
頂裝 | 不銹鋼 | 200 | 2.5 | 360 | 310 | 26 | 12 | M24 | 274 | 3 | 32 | 284 | 220 | 2 |
ABS | 200 | 0.6 | 320 | 280 | 18 | 8 | M16 | 258 | 3 | 24 | 262 | 220 | 2 | |




